In der Welt der Kraftübertragung und des Materialtranspoderts sind die besche...
MEHR LESEN
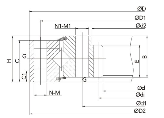
Bestellnummer: 920002
| Strukturtyp des Lagers | Schmierungsart | Grenzgeschwindigkeit (n.Dm) | ||
| Typ mit gekreuzten Rollen | Standardschmierfett | 24000-3500 | ||
| Kugeltyp | Standardschmierfett | 40000-6500 | ||
| Bal mit Käfig | Schmierfett oder Öl | 70000-13000 | ||
| Lager Nr. | AbMessung (mm) | Gewicht (kg) | Ref. NEIN. | |||||||||||||||||
| D | d2 | d1 | D | D2 | D1 | C | C1 | H | B | E | N-M | N1-M1 | di | m | Z | km | G | |||
| WDB-113-0380-01 | 291 | 313 H9 | 335 | 451 | 450 h9 | 425 | 45 | 10 | 55 | 45 | 40 | 24-Φ13,5 | 24-Φ13,5 | 300 | 5 | 60 | 0.5 | 2-M10*1 | 28 | 07-0380-01 |
| WDB-113-0489-01 | 385 | 418H9 | 440 | 562 | 560 f9 | 538 | 50 | 10 | 60 | 50 | 43 | 30-Φ13,5 | 30-Φ13,5 | 396 | 6 | 66 | 0.5 | 2-M10*1 | 43 | 07-0489-11 |
| WDB-113-0573-01 | 457 | 485H9 | 517 | 665 | 660 f9 | 630 | 50 | 10 | 60 | 50 | 45 | 28-Φ17,5 | 28-Φ17,5 | 468 | 6 | 77 | 0.5 | 2-M10*1 | 63 | 07-0573-00 |
| WDB-113-0673-01 | 541 | 575H9 | 610 | 771 | 770 f9 | 736 | 60 | 10 | 70 | 60 | 55 | 32-Φ17,5 | 32-Φ17,5 | 552 | 6 | 91 | 0.5 | 4-M10*1 | 96 | 07-0673-00 |
| WDB-113-0770-01 | 634 | 670H9 | 707 | 871 | 870 f9 | 833 | 60 | 10 | 70 | 60 | 55 | 36-Φ17,5 | 36-Φ17,5 | 648 | 8 | 80 | 1 | 3-M10*1 | 113 | 07-0770-00 |
| WDB-113-0849-01 | 706 | 742H9 | 784 | 960 | 958 f9 | 914 | 65 | 10 | 75 | 65 | 60 | 30-Φ22 | 30-Φ22 | 720 | 8 | 89 | 1 | 3-M10*1 | 144 | 07-0849-00 |
| WDB-113-0885-01 | 786 | 820H9 | 850 | 975 | 970 f9 | 944 | 67 | 10 | 82 | 70 | 62 | 36-Φ17,5 | 36-M16 | 800 | 8 | 100 | 1 | 3-M10*1 | 119 | 07-0885-01 |
| WDB-113-1075-01 | 961 | 1010 H9 | 1040 | 1175 | 1165 f9 | 1134 | 75 | 10 | 90 | 72 | 62 | 36-M16 | 36-M16 | 980 | 10 | 98 | 0.5 | 4-M10*1 | 181 | 07-1075-01 |
| WDB-113-1140-01 | 979 | / | 1068 | 1251 | 1250 f9 | 1212 | 75 | 10 | 91 | 75 | 75 | 40-Φ22 | 40-Φ22 | 996.4 | 10 | 99 | 1.3 | 4-M10*1 | 239 | 07-1140-13 |
| WDB-113-1304-01 | 1143 | / | 1228 | 1431 | 1430 f9 | 1380 | 82 | 10 | 97 | 85 | 85 | 48-Φ22 | 48-Φ22 | 1160.6 | 10 | 115 | 1.2 | 4-M10*1 | 326 | 07-1304-04 |


In der Welt der Kraftübertragung und des Materialtranspoderts sind die besche...
MEHR LESEN
Gabelstaplerlager Die Leistung wirkt sich direkt auf die Sicherh...
MEHR LESEN
Verständnis der entscheidenden Rolle von Mastlagern im Materialtransport D...
MEHR LESEN
Die Grundlagen kombinierter Rollenlager in Gabelstaplern verstehen Wenn Si...
MEHR LESEN
Die betriebliche Effizienz und Sicherheit jeder Materialtransportflotte hängt...
MEHR LESEN