In der Welt der Kraftübertragung und des Materialtranspoderts sind die besche...
MEHR LESEN
Bestellnummer: 920002
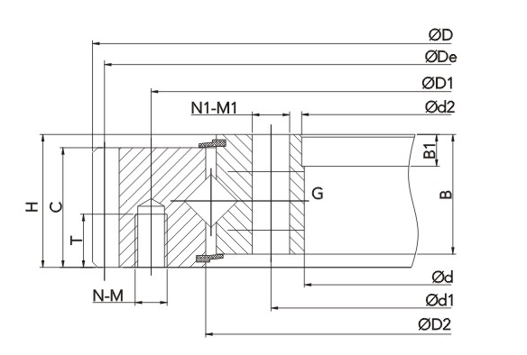
| Lager Nr. | AbMessung (mm) | Gewicht (kg) | Ref.Nr. | |||||||||||||||||
| D | d1 | d2 | D | D2 | D1 | C | T | H | B | B1 | N-M | N1-M1 | De | m | z | km | G | |||
| WDC-111-0414-01 | 342 | 368 | 344 H9 | 503.3 | 415.5 | 455 | 45 | 20 | 56 | 45 | 10 | 20-M12 | 24-Φ14 | 495 | 5 | 99 | 0.85 | 2-M8*1 | 31 | SEG 505 20 01 CC LM |
| WDC-111-0414-02 | 342 | 368 | 344 H8 | 503.3 | 417 H8 | 455 | 44.5 | 20 | 56 | 44.5 | 10 | 20-M12 | 24-Φ14 | 495 | 5 | 99 | 0.85 | 2-M8*1 | 32 | ER1.14.0414.200-1STPN |
| WDC-111-0544-01 | 472 | 498 | 474 H9 | 640.6 | 545.5 | 585 | 45 | 20 | 56 | 45 | 10 | 28-M12 | 32-Φ14 | 630 | 6 | 105 | 0.7 | 2-M8*1 | 43 | SEG 650 20 01 CC LM |
| WDC-111-0544-02 | 472 | 498 | 474 H8 | 640.3 | 547 H8 | 585 | 44.5 | 20 | 56 | 44.5 | 10 | 28-M12 | 32-Φ14 | 630 | 6 | 105 | 0.85 | 2-M8*4 | 43 | ER1.14.0544.200-1STPN |
| WDC-111-0644-01 | 572 | 598 | 574 H9 | 742.3 | 645.5 | 685 | 45 | 20 | 56 | 45 | 10 | 32-M12 | 36-Φ14 | 732 | 6 | 122 | 0.85 | 2-M8*1 | 52 | SEG 750 20 01 CC LM |
| WDC-111-0644-02 | 572 | 598 | 574 H8 | 742.3 | 647 H8 | 685 | 44.5 | 20 | 56 | 44.5 | 10 | 32-M12 | 36-Φ14 | 732 | 6 | 122 | 0.85 | 2-M8*1 | 52 | ER1.14.0644.200-1STPN |
| WDC-111-0744-01 | 672 | 698 | 674 H9 | 838.1 | 745.5 | 785 | 45 | 20 | 56 | 45 | 10 | 36-M12 | 40-Φ14 | 828 | 6 | 138 | 0.95 | 2-M8*1 | 59 | SEG 850 20 01 CC LM |
| WDC-111-0744-02 | 672 | 698 | 674 H8 | 838.1 | 747 H8 | 785 | 45 | 20 | 56 | 45 | 10 | 36-M12 | 40-Φ14 | 828 | 6 | 138 | 0.95 | 2-M8*1 | 58 | ER1.14.0744.200-1STPN |
| WDC-111-0844-01 | 772 | 798 | 774 H9 | 950.1 | 845.5 | 885 | 45 | 20 | 56 | 45 | 10 | 36-M12 | 40-Φ14 | 936 | 8 | 117 | 0.95 | 2-M8*1 | 71 | SEG 950 20 01 CC LM |
| WDC-111-0844-02 | 772 | 798 | 774 H8 | 950.1 | 847 H8 | 885 | 44.5 | 20 | 56 | 44.5 | 10 | 36-M12 | 40-Φ14 | 936 | 8 | 117 | 0.95 | 2-M8*1 | 71 | ER1.14.0844.200-1STPN |
| WDC-111-0944-01 | 872 | 898 | 874 H9 | 1046.1 | 945.5 | 985 | 45 | 20 | 56 | 45 | 10 | 40-M12 | 44-Φ14 | 1032 | 8 | 129 | 0.95 | 2-M8*1 | 77 | SEG 1050 20 01 CC LM |
| WDC-111-0944-02 | 872 | 898 | 874 H8 | 1046.1 | 947 H8 | 985 | 44.5 | 20 | 56 | 44.5 | 10 | 40-M12 | 44-Φ14 | 1032 | 8 | 129 | 0.95 | 2-M8*1 | 77 | ER1.14.0944.200-1STPN |
| WDC-111-1094-01 | 1022 | 1048 | 1024 H9 | 1198.1 | 1095.5 | 1135 | 45 | 20 | 56 | 45 | 10 | 44-M12 | 48-Φ14 | 1184 | 8 | 148 | 0.95 | 2-M8*1 | 91 | SEG 1150 20 01 CC LM |
| WDC-111-1094-02 | 1022 | 1048 | 1024 H8 | 1198.1 | 1097 H8 | 1135 | 44.5 | 20 | 56 | 44.5 | 10 | 44-M12 | 48-Φ14 | 1184 | 8 | 148 | 0.95 | 2-M8*1 | 90 | ER1.14.1094.200-1STPN |


In der Welt der Kraftübertragung und des Materialtranspoderts sind die besche...
MEHR LESEN
Gabelstaplerlager Die Leistung wirkt sich direkt auf die Sicherh...
MEHR LESEN
Verständnis der entscheidenden Rolle von Mastlagern im Materialtransport D...
MEHR LESEN
Die Grundlagen kombinierter Rollenlager in Gabelstaplern verstehen Wenn Si...
MEHR LESEN
Die betriebliche Effizienz und Sicherheit jeder Materialtransportflotte hängt...
MEHR LESEN