In der Welt der Kraftübertragung und des Materialtranspoderts sind die besche...
MEHR LESEN
Bestellnummer: 920002
| Durchmesser des Mittelkreises der Kugelbahn DL(mm) | Ebenenabweichung der Montagehalterung P(mm) | ||
| Einreihiger Vierpunkt-Kontaktkugeltyp | Zweireihiger Kugeltyp | Typ mit gekreuzten Rollen | |
| ~1000 | 0.15 | 0.2 | 0.1 |
| >1000-1500 | 0.19 | 0.25 | 0.12 |
| >1500-2000 | 0.22 | 0.3 | 0.15 |
| >2000~2500 | 0.25 | 0.35 | 0.17 |
| >2500-4000 | 0.3 | 0.4 | 0.2 |
| >4000-6000 | 0.4 | 0.5 | 0.3 |
| >6000-8000 | 0.5 | 0.6 | 0.4 |
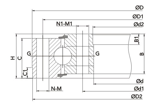
| Lager NEIN. | Abmessung (mm) | Gewicht (kg) | Ref. NEIN. | |||||||||||||
| D | d2 | d1 | D | D2 | D1 | C | C1 | H | B | B1 | N-M | N1-M1 | G | |||
| WDB-010-0179-01 | 124.5 | 126,5 H8 | 144.5 | 234 | 232 h8 | 214 | 30 | 5 | 35 | 30 | 5 | 12-Φ11 | 12-M12 | 2/0-M8*1 | 6 | 010.14.0179.E |
| WDB-010-0179-02 | 124.5 | 126,5 H8 | 144.5 | 234 | 232 h8 | 214 | 30 | 5 | 35 | 30 | 5 | 12-Φ11 | 12-Φ11 | 2/0-M8*1 | 6 | 010.14.0179.D |
| WDE-010-0217-01 | 150 | 200 H7 | 175 | 290 | 24197 | 265 | 41.5 | 7.5 | 41.5 | 40 | 3.5 | 16-Φ14 | (16-1)-M12 | 2/0-M10*1 | 14 | 03-0217-00 |
| WDB-010-0200-01 | 140 | 142 H7 | 160 | 280 | 278 h8 | 240 | 30 | 10 | 30 | 10 | 12-M10 | 12-Φ11 | 0/1-M8*1 | 9.7 | 010.16.0200 A | |
| WDB-010-0220-01 | 138 | 140 H8 | 170 | 302 | 300 h8 | 270 | 41 | 8 | 46 | 41 | 8 | 10-Φ18 | 10-Φ18 | 2/0-M8*1 | 16 | 010.20.0220.D |
| WDB-010-0222-01 | 140 | 142 H9 | 170 | 300 | 298 h8 | 270 | 30 | 5 | 36 | 34 | 10 | 8-Φ18 | 8-Φ18 | 2/0-M8*1 | 11.7 | 010.16.0220.B |
| WDB-010-0250-01 | 170 | 170 H9 | 202 | 330 | 330 h9 | 298 | 50 | 10 | 60 | 50 | 10 | 18-M14 | 18-16 | 2/0-M10*1 | 21 | 010.20.0250A |
| WDB-010-0257-01 | 190 | 192 H9 | 215 | 329 | 328 h9 | 305 | 44 | 12 | 45 | 44 | 12 | 16-Φ14 | 16-Φ14 | 2/0-M8*1 | 17 | 010.20.0257 A |
| WDB-010-0260-01 | 190 | 192 H9 | 215 | 329 | 328 f9 | 305 | 44 | 12 | 45 | 44 | 12 | 16-Φ14 | 16-Φ14 | 2/0-M10*1 | 18 | 03-0260-00 |
| WDB-010-0260-02 | 190 | 192 H9 | 215 | 329 | 328 f9 | 305 | 45 | 12 | 50 | 45 | 12 | 16-中14 | (16-1)-Φ14 | 2/0-M10*1 | 18 | 03-0260-23 |
| WDB-010-0260-03 | 191 | 193 H8 | 215 | 329 | 327 h8 | 305 | 41 | 7 | 46 | 41 | 7 | 20-Φ14 | 20-Φ14 | 2/0-M8*1 | 15 | 010.20.0260 A |
| WDB-010-0260-04 | 190 | 192 H8 | 215 | 329 | 328 h8 | 305 | 44 | 12 | 45 | 44 | 12 | 16-Φ14 | 16-Φ14 | 2/0-M10*1 | 16 | 010.20.0260.B |
| WDB-010-0311-01 | 242 | 243,5 H8 | 268 | 386 | 384,5h8 | 360 | 44 | 10 | 56 | 44 | 10 | 20-Φ14 | 20-Φ14 | 4/0-M8*1 | 21 | 10-200311/0-02003 |
| WDB-010-0318-01 | 261 | 262 H8 | 281 | 375 | 374 f8 | 355 | 35 | 7 | 42 | 35 | 7 | 10-Φ11 | 12-Φ11 | 1/0-M10*1 | 13.4 | 010.14.0318 A |
| WDB-010-0325-01 | 270 | 272 H9 | 290 | 380 | 378 h8 | 360 | 30 | 5 | 35 | 30 | 5 | 24-Φ11 | 24-Φ11 | 2/0-M8* | 12 | 010.14.0325A |
| WDB-010-0342-01 | 265 | 267 H9 | 295 | 440 | 438 f9 | 390 | 44 | 10 | 50 | 44 | 10 | 16-Φ17,5 | 16-Φ17,5 | 2/0-M10*1 | 30 | 03-0342-05 |
| WDB-010-0360-01 | 265 | 270 H9 | 300 | 455 | 450 f9 | 420 | 63 | 10 | 71 | 63 | 10 | 24-Φ17,5 | (24-1)-Φ17,5 | 2/0-M10*1 | 46 | 03-0360-00 |
| WDB-010-0402-01 | 335 | 336 H9 | 360 | 475 | 474 f9 | 450 | 44 | 10 | 45 | 44 | 10 | 24-Φ14 | 24-Φ14 | 3/0-M10*1 | 27 | 03-0402-00 |
| WDB-010-0402-02 | 335 | 336 H9 | 360 | 475 | 474 f9 | 450 | 45 | 10 | 45 | 45 | 10 | 24-Φ15 | 24-Φ15 | 3/0-M10*1 | 31 | 010.20.0402 A |
| WDB-010-0411-01 | 342 | 344 H9 | 368 | 486 | 484 f9 | 460 | 46 | 10 | 56 | 46 | 10 | 24-Φ14 | 24-Φ14 | 4/0-M8*1 | 30 | 33-0411-01 |
| WDB-010-0411-02 | 342 | 343,5 H8 | 368 | 486 | 484,5h8 | 460 | 44 | 10 | 56 | 44 | 10 | 24-Φ14 | 24-414 | 4/0-M8*1 | 29 | 10-200411/0-02013 |
| WDB-010-0414-01 | 342 | 344 H9 | 368 | 486 | 484 h9 | 460 | 46 | 10 | 56 | 46 | 10 | 24-Φ14 | 24-414 | 2/2-M8*1 | 29 | SUN 4862001 CC LM |
| WDB-010-0414-01 | 342 | 344 H9 | 368 | 486 | 484 h9 | 460 | 46 | 10 | 56 | 46 | 10 | 24-Φ14 | 24-Φ14 | 4/0-M8*1 | 29 | 010.19.0414 A |
| WDE-010-0450-01 | 357 | 357 H8 | 393 | 543 | 543 h8 | 507 | 60 | 15 | 70 | 60 | 15 | 24-M16 | 24-Φ18 | 2/0-M10*1 | 53 | 010.250450.A |
| WDB-010-0525-01 | 424 | 425 H9 | 460 | 626 | 62519 | 590 | 63 | 10 | 72 | 63 | 10 | 24-Φ22 | 24-Φ22 | 3/0-M10*1 | 73 | 03-0525-01 |
| WDB-010-0541-01 | 472 | 474 H9 | 498 | 616 | 614 f9 | 590 | 46 | 10 | 56 | 46 | 10 | 32-Φ14 | 32-Φ14 | 4/0-M8*1 | 40 | 33-0541-01 |
| WDB-010-0541-02 | 472 | 473,5 H8 | 498 | 616 | 614,5h8 | 590 | 44 | 10 | 44 | 10 | 32-Φ14 | 32-Φ14 | 4/0-M8*1 | 37 | 10-200541/0-02023 | |
| WDB-010-0544-01 | 472 | 474 H9 | 498 | 616 | 614 h9 | 590 | 46 | 10 | 56 | 46 | 10 | 32-Φ14 | 32-Φ14 | 2/2-M8*1 | 37 | SUN 6162001 CC LM |
| WDB-010-0544-02 | 472 | 474 H8 | 498 | 616 | 614 h8 | 590 | 44.5 | 10 | 56 | 44.5 | 10 | (32-1)-Φ14 | 32-Φ14 | 4/0-M8*1 | 37 | 010.20.0544.6 |
| WDB-010-0600-01 | 487 | 490 H9 | 531 | 712 | 710 f9 | 668 | 63 | 10 | 72 | 63 | 10 | 24-Φ22 | 24-Φ22 | 3/0-M10*1 | 93 | 03-0600-02 |
| WDB-010-0641-01 | 572 | 574 H9 | 598 | 716 | 714 f9 | 690 | 46 | 10 | 56 | 46 | 10 | 36-Φ14 | 36-Φ14 | 4/0-M8*1 | 45 | 33-0641-01 |
| WDB-010-0641-02 | 572 | 573,5 H8 | 598 | 716 | 714,5 h8 | 690 | 44 | 10 | 56 | 44 | 10 | 36-Φ14 | 36-Φ14 | 4/0-M8*1 | 44 | 10-200641/0-02033 |
| WDB-010-0644-01 | 572 | 574 H9 | 598 | 716 | 714 h9 | 690 | 46 | 10 | 56 | 46 | 10 | 36-Φ14 | 36-Φ14 | 2/2-M8*1 | 44 | SUN 7162001 CC LM |
| WDB-010-0644-02 | 572 | 574 H8 | 598 | 716 | 714 h8 | 690 | 44.5 | 10 | 56 | 44.5 | 10 | 36-Φ14 | 36-Φ14 | 4/0-M8*1 | 44 | 010.20.0644.A |
| WDB-010-0785-01 | 670 | 672 H9 | 710 | 900 | 898 f9 | 860 | 77 | 10 | 86 | 77 | 10 | 36-Φ22 | (36-1-Φ22 | 3/0-M10*1 | 150 | 03-0785-00 |
| WDB-010-0741-01 | 672 | 674 H9 | 698 | 816 | 814 f9 | 790 | 46 | 10 | 56 | 46 | 10 | 40-Φ14 | 40-Φ14 | 4/0-M8*1 | 55 | 33-0741-01 |
| WDB-010-0741-02 | 672 | 673,5 H8 | 698 | 816 | 814,5 h8 | 790 | 44 | 10 | 56 | 44 | 10 | 40-Φ14 | 40-Φ14 | 4/0-M8*1 | 52 | 10-200741/0-02043 |
| WDB-010-0744-01 | 672 | 674 H9 | 698 | 816 | 814 h9 | 790 | 46 | 10 | 56 | 46 | 10 | 40-Φ14 | 40-Φ14 | 2/2-M8*1 | 52 | SUN 8162001 CC LM |
| WDB-010-0755-02 | 655 | 657 H9 | 695 | 855 | 853 h9 | 815 | 54 | 15 | 63 | 54 | 15 | 24-Φ22 | 24-Φ22 | 4/0-M10*1 | 90 | SUN 8552501 CC LM |
| WDB-010-0841-01 | 772 | 774 H9 | 798 | 916 | 914 f9 | 890 | 46 | 10 | 56 | 46 | 10 | 40-Φ14 | 40-Φ14 | 4/0-M8*1 | 62 | 33-0841-01 |
| WDB-010-0841-02 | 772 | 773,5 H8 | 798 | 916 | 914,5 h8 | 890 | 44 | 10 | 56 | 44 | 10 | 40-Φ14 | 40-Φ14 | 4/0-M8*1 | 59 | 10-200841/0-02053 |
| WDB-010-0844-01 | 772 | 774 H9 | 798 | 916 | 914 h9 | 890 | 46 | 10 | 56 | 46 | 10 | 40-Φ14 | 40-Φ14 | 2/2-M8*1 | 60 | SUN 9162001 CC LM |
| WDB-010-0855-01 | 755 | 757 H9 | 795 | 955 | 953 h9 | 915 | 54 | 15 | 63 | 54 | 15 | 28-Φ22 | 28-Φ22 | 4/0-M10*1 | 101 | SUN 9552501 CC LM |
| WDB-010-0941-01 | 872 | 874 H9 | 898 | 16 | 1014 f9 | 990 | 46 | 10 | 56 | 46 | 10 | 44-Φ14 | 44-Φ14 | 4/0-M8*1 | 67 | 33-0941-01 |
| WDB-010-0941-02 | 872 | 873,5 H8 | 898 | 1016 | 1014,5 h8 | 990 | 44 | 10 | 56 | 44 | 10 | 44-Φ14 | 44-Φ14 | 4/0-M8*1 | 66 | 10-200941/0-02063 |
| WDB-010-0944-01 | 872 | 874 H8 | 898 | 1016 | 1014 h8 | 990 | 44 | 10 | 56 | 44 | 10 | 44-Φ14 | 44-Φ14 | 2/2-M8*1 | 67 | SUN 10162001 CC LM |
| WDB-010-0955-02 | 855 | 857 H9 | 895 | 1055 | 1053 h9 | 1015 | 54 | 15 | 63 | 54 | 15 | 30-Φ22 | 30-Φ22 | 4/0-M10*1 | 115 | SUN 10552501 CC LM |
| WDB-010-0980-01 | 845 | 845 H9 | 890 | 1130 | 1130 f9 | 1070 | 90 | 10 | 100 | 90 | 10 | 36-Φ26 | (36-1)-Φ26 | 4/0-M10*1 | 286 | 03-0980-02 |
| WDB-010-1055-01 | 955 | 957 H9 | 995 | 1155 | 1153 HG | 1115 | 54 | 15 | 63 | 54 | 15 | 30-Φ22 | 30-Φ22 | 4/0-M10*1 | 128 | SUN 11552501 CC LM |
| WDB-010-1091-01 | 1022 | 1024 H9 | 1048 | 1166 | 1164 f9 | 1140 | 46 | 10 | 56 | 46 | 10 | 48-Φ14 | 48-Φ14 | 4/0-M8*1 | 81 | 33-1091-01 |
| WDB-010-1091-02 | 1022 | 1023,5 H8 | 1048 | 1166 | 1164,5 h8 | 1140 | 44 | 10 | 56 | 44 | 10 | 48-Φ14 | 48-Φ14 | 4/0-M8*1 | 77 | 10-201091/0-02073 |
| WDB-010-1094-01 | 1022 | 1024 H9 | 1048 | 1166 | 1164 h9 | 1140 | 46 | 10 | 56 | 46 | 10 | 48-Φ14 | 48-Φ14 | 2/2-M8*1 | 77 | SUN 11162001 CC LM |
| WDB-010-1155-02 | 1055 | 1057 H9 | 1095 | 1255 | 1253 h9 | 1215 | 54 | 15 | 63 | 54 | 15 | 36-Φ22 | 36-Φ22 | 4/0-M10*1 | 139 | SUN 12552501 CC LM |
| WDB-010-1255-02 | 1155 | 1157 H9 | 1195 | 1355 | 1353 h9 | 1315 | 54 | 15 | 63 | 54 | 15 | 42-Φ22 | 42-Φ22 | 4/0-M10*1 | 148 | SUN 13552501 CC LM |
| WDB-010-1355-02 | 1255 | 1257 H9 | 1295 | 1455 | 1453 h9 | 1415 | 54 | 15 | 63 | 54 | 15 | 42-Φ22 | 42-Φ22 | 4/0-M10*1 | 161 | SO 14552501 CC LM |


In der Welt der Kraftübertragung und des Materialtranspoderts sind die besche...
MEHR LESEN
Gabelstaplerlager Die Leistung wirkt sich direkt auf die Sicherh...
MEHR LESEN
Verständnis der entscheidenden Rolle von Mastlagern im Materialtransport D...
MEHR LESEN
Die Grundlagen kombinierter Rollenlager in Gabelstaplern verstehen Wenn Si...
MEHR LESEN
Die betriebliche Effizienz und Sicherheit jeder Materialtransportflotte hängt...
MEHR LESEN